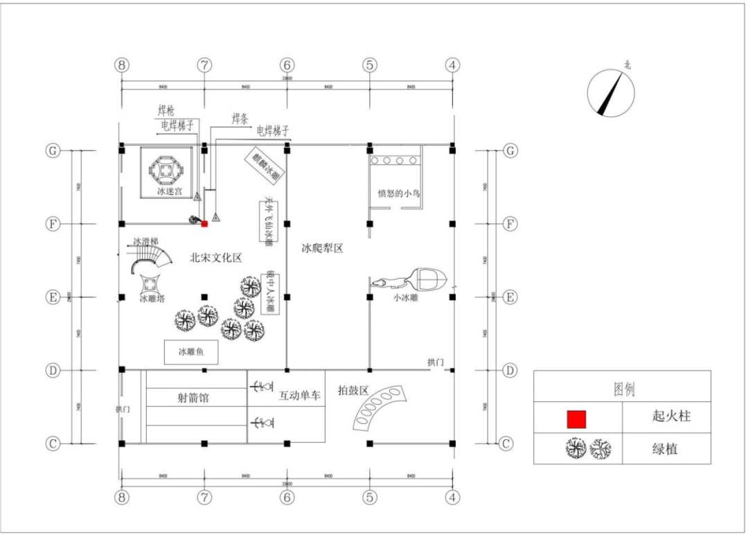
2022年6月9日9時56分許,位于杭州市臨平區東湖街道望梅路588號杭州灣建材裝飾城18幢二層的杭州冰雪大世界發生一起火災事故,造成4人死亡,2名消防員犧牲,19人受傷, 建筑物過火面積600平方米,直接經濟損失3057余萬元。事故發生后,時任應急管理部部長黃明作出批示,要求迅速查明原因,依法嚴肅追責,通報警示各地切實加強檢查整治, 嚴防連續發生群死群傷事故,要求應急管理部黨委委員、消防救援局局長瓊色第一時間現場連線指揮救援工作,同時指派消防救援局總工程師周天帶領工作組趕赴杭州指導火災原因調查。省委書記袁家軍作出批示,要求迅速搜救被困人員,做好受傷人員救治,查明事故原因,舉一反三,切實加強安全生產管理。省長王浩批示要求杭州市全力以赴搜尋失聯人員,救治傷員,查清事故原因,依法依規處置;舉一反三,抓好安全生產,維護大局和諧穩定。時任省委常委、常務副省長陳金彪, 省委常委、杭州市委書記劉捷,副省長成岳沖、王成國等省領 導也分別就事故應急處置、事故調查、吸取事故教訓做好隱患排查整治等作出批示指示。省應急管理廳和省消防救援總隊主要負責同志第一時間趕赴現場指揮救援,部署善后處置工作。 依據《中華人民共和國安全生產法》《生產安全事故報告和調查處理條例》(國務院令第493號)和《浙江省生產安全事故報告和調查處理規定》(省政府令第310號)等有關法律法規,6月9日,經省政府同意,成立了由省應急管理廳、省消防救援總隊牽頭,省公安廳、省建設廳、省文化和旅游廳、省市場監督管理局、省體育局、省總工會和杭州市政府等單位有關同志參加的杭州市臨平區杭州冰雪大世界“6·9”較大火災事故調查組(以下簡稱事故調查組),對本次事故實施提級調查,同時邀請省檢察院派員參加,聘請消防、建設、安全等方面專家參與事故調查工作。事故調查組認真貫徹落實應急管理部和省委省政府領導同志重要批示指示精神,堅持“科學嚴謹、依法依規、實事求是、注重實效”和“四不放過”原則,通過現場勘查、視頻分析、模擬實驗、檢驗鑒定、資料調閱、人員問詢、專家論證等方式,查明了事故經過、發生原因、人員傷亡和直接經濟損失等情況,認定了事故性質和事故相關企業及相關人員的責任,查清了有關地方政府和相關部門在監管方面存在的問題,提出了對事故相關企業、有關責任人員的處理建議,并針對事故原因及暴露出的突出問題,提出了事故防范措施建議。事故調查組認定,杭州市臨平區杭州冰雪大世界“6·9”火災事故是一起較大生產安全責任事故。2022年6月9日9時19分32秒,*珍珍、*小娃、*佳園來到杭州冰雪大世界二層,開展消防管道維修施工前準備。9時21分5秒,*珍珍將電焊設備帶至現場。9時56分12秒,*珍珍開始施工。9時56分50秒,*珍珍在冰雕區 7-F 柱處上方對消防管道實施電焊切割作業,掉落的熔渣引燃立柱北側與冰墻之間縫隙底部的保溫材料殘片和裝飾裝修材料,32秒后火勢蔓延至柱頂,沿頂棚向周邊進一步擴大,產生大量濃煙,并迅速蔓延至整個杭州冰雪大世界。1、滅火救援。6月9日10時,杭州市消防救援支隊余杭大隊分指揮中心接到報警:杭州市臨平區東湖街道望梅路588號杭州灣建材裝飾城發生火災,立即調派臨平、錢江、塘棲消防救援站和東湖專職消防隊10輛消防車、61名指戰員到場處置。杭州市消防救援支隊指揮中心接報后迅速調集特勤一站、二站、 康橋、艮山等12個消防救援站和1個鄉鎮專職隊42輛消防車、176名指戰員增援,并調集公安、衛健、供電、供氣、環保等聯動單位和工程機械力量到場處置。10時10分,轄區消防力量到場,發現濃煙滾滾、多人被困,立即架設拉梯營救,同時組織內攻救援、堵截火勢,營救被困群眾。10時54分,杭州市消防救援支隊全勤指揮部到場,立即成立現場指揮部,劃分戰斗區段,實施統一指揮,按照東南西北4個戰斗片區開展人員搜救和火災撲救工作。鑒于著火建筑內部結構復雜,現場反饋還有多名群眾失聯,指揮部立即組織攻堅組,在水槍掩護下深入內部搜救失聯群眾。毛景榮和劉澤軍兩名消防員在深入內部搜救過程中失聯。14時9分,參戰人員搜尋到毛景榮、劉澤軍2名同志,并迅速送醫搶救。15時許,現場火災被撲滅。16時10分,在建筑二層搜救出1名失聯人員。18時50分,搜救出最后1名失聯人員。2、醫療救治。事故發生后,現場群眾和消防力量共搜救出25人并送醫治療。杭州市第一時間調集省市區優質資源和力量,由浙江大學第二附屬醫院燒傷、創傷、急診、耳鼻喉、普外等100余名臨床專家組成救治團隊,緊急開通綠色通道,制定醫療救治方案,全力以赴開展傷員救治工作。其中6人經全力搶救無效死亡(含2名消防員);截至8月10日,在醫院治療的傷員均已全部出院。事故發生后,杭州市政府立即組織屬地政府及工會、公安、 衛健等部門,第一時間成立由臨平區委書記、區長任雙組長的火災事故善后處置工作領導小組,下設醫療救治、善后處置等五個工作專班,統籌做好善后處置各項工作。對傷亡人員明確 “一人一專班”,落實“一對一”善后處置工作。截至 6月12日, 所有遇難人員已全部簽訂賠償協議;所有傷員醫療救治及傷亡人員親屬安撫等各項善后處理平穩有序。起火建筑為杭州灣建材裝飾城18幢,位于杭州市臨平區東湖街道望梅路 588號,建筑主體為鋼混結構,東西長159.2米,南北寬74.6米,建筑高度21.8 米,建筑面積40608平方米。該建筑地上五層,其中一至二層為商鋪等經營性場所,三至五層為配套宿舍,本次發生火災的杭州冰雪大世界租用了該建筑一層、二層部分區域,建筑面積6870.2平方米,內設北宋文化區(冰雕區)、冬奧活動區(包括冰壺區、溜冰場和輪胎滑道區等)、智能互動區、冰熊貓區、開心樂園區、求婚亭區、冰川時代區、許愿愛情區、東北雪鄉體驗區、飄雪區、冰爬犁區、草莓滑梯區等區域。杭州灣建材裝飾城產權單位為浙江中德房地產開發有限公司(以下簡稱中德房產公司)。

杭州冰雪大世界,登記注冊名稱為杭州互動冰雪文化旅游發展有限公司,成立于2021年3月12日,營業期限:2021年3月12日至長期, 統一社會信用代碼:91330110MA2KEEYN8L,企業類型:有限責任公司(自然人投資或控股),注冊地址:杭州市臨平區臨平街道望梅路 588號18幢288室,法定代表人:*彩霞(2021年8月31日變更前為*誼),注冊資本:1000萬人民幣,股東及高管人員情況:杭州互動旅游開發有限公司占股 55%、浙江冰峰冰雪文化發展有限公司占股30%、杭州華廷互動文旅產業有限公司占股15%。企業員工28人。經營范圍:旅行社服務網點旅游招徠、咨詢服務; 組織文化藝術交流活動;玩具、動漫及游藝用品銷售;游藝用品及室內游藝器材銷售;游藝及娛樂用品銷售;普通露天游樂場所游樂設備銷售;玩具銷售;體育保障組織;文化用品設備出租;商業綜合體管理服務;工藝美術品及收藏品零售(象牙及其制品除外);文藝創作;組織體育表演活動;體育賽事策劃;體育用品及器材零售;體育競賽組織;體育健康服務;從事體育培訓的營利性民辦培訓機構(除面向中小學生開展的學科類、語言類文化教育培訓);健身休閑活動;互聯網銷售(除銷售需要許可的商品);日用品銷售;游覽景區管理;園區管理服務;攝像及視頻制作服務;農村民間工藝及制品、休閑農業和鄉村旅游資源的開發經營;休閑觀光活動;娛樂性展覽; 游樂園服務。登記機關:杭州市臨平區市場監督管理局。2021年3月22日,杭州冰雪大世界以杭州互旅科技有限公司(法定代表人*誼)名義與上海玩雪人冰雕藝術有限公司簽訂《冰雕展及冷庫出租協議》,內容為冷庫建設、冰雕制作,工期為3月22日至5月12日,合同金額為647.68萬元。4月1日,上海玩雪人冰雕藝術有限公司與聊城三升源保溫材料有限公司簽訂《杭州冰雪大世界冷庫保溫工程施工合同書》,將室內樓頂、柱子及管道的保溫工程分包給聊城三升源保溫材料有 限公司。4月 8 日,杭州冰雪大世界與杭州品越科技有限公司簽訂《房屋租賃合同》,承租杭州灣建材裝飾城18幢一、二層部分區域。4月27日,哲華設計有限公司臨安分公司以哲華設計有限公司名義與杭州冰雪大世界簽訂《消防設計合同》,合同金額為5萬元。哲華設計有限公司臨安分公司將該設計業務分包給個人,設計完成后以哲華設計有限公司名義套框出圖。4月28日,成都碧城建筑設計有限公司出具結論為合格的《室內裝修工程設計技術復核表》。隨后杭州冰雪大世界申請圖審, 隨附材料中《裝修合同》為杭州冰雪大世界與廣東齊創建設有限公司簽訂(合同金額 165 萬元,施工內容為房屋裝修,簽訂日期為3月14日)。7 中旬,杭州冰雪大世界委托上海洪利消防工程有限公司杭州分公司進行消防設施改造施工。8月2日,浙江新時代消防技術有限責任公司出具結論為合格的《建筑消防設施檢測報告》,隨后杭州冰雪大世界申請消防驗收。8月8日,杭州冰雪大世界正式營業。在事故單位建設期間,臨平區相關部門和屬地街道先后接 到30多次信訪投訴舉報,主要反映涉事單位存在審批手續不到位、消防安全隱患、噪音擾民、建筑房屋結構影響等問題。此外,杭州冰雪大世界在杭州灣建材裝飾城 18 幢內天井頂棚下搭建封閉吊頂。2021年4月30日,杭州冰雪大世界通過住建部門圖審系統, 申請消防設計圖紙審查。5月7日,浙江華陽建設工程施工圖審查中心(以下簡稱華陽圖審中心)出具《浙江省建設工程施工圖設計文件消防審查合格書》,明確:該項目不屬于消防設計審查項目。6月22日,臨平區住房和城鄉建設局(以下簡稱臨平區住建局)接到群眾舉報,反映杭州冰雪大世界存在冰雕館未通過消防驗收,保溫材料不符合要求、場所內存在消防安全隱患等問題。臨平區住建局現場核查后發現,杭州冰雪大世界建筑工程屬于特殊建設工程,應進行消防設計審查、消防驗收, 遂與圖審單位溝通,要求修改《浙江省建設工程施工圖設計文件消防審查合格書》,將此項目認定為消防設計審查項目,并要求杭州冰雪大世界增設火災自動報警系統、機械排煙系統、自動噴水滅火系統、消火栓系統等消防設施。7月20日,杭州冰雪大世界發起重大變更圖審申請。7月26日,華陽圖審中心審查后出具《浙江省房屋建筑工程施工圖設計文件重大變更審查合格書》。7月28日,臨平區住建局通過消防設計審查出具《特殊建設工程消防設計審查意見書》(余建消審字(2021)第 0139號),結論為:合格。8月2日,杭州冰雪大世界申請消防竣工驗收。8月5日,臨平區住建局工作人員會同杭州冰雪大世界建設單位、設計單位、裝修施工單位、消防施工單位開展現場驗收檢查,未發現不合格項目,當日出具《特殊建設工程消防驗收意見書》(余建消驗字(2021)第 0080 號),結論為:合格。8月5日,杭州冰雪大世界以告知承諾制方式取得《公眾聚集場所投入使用、營業前消防安全檢查意見書》(余消安檢字〔2021〕第 0275 號)。8月23日,余杭區消防救援大隊派員現場核查,結論為:合格。2022年3月,杭州灣建材裝飾城消控室負責人*醉葉發現18幢東區三樓的空中花園部分消防栓水壓不足,向杭州品越科技有限公司物業經理*文充匯報,*文充交代*醉葉聯系維保單位查明原因。5月18日,*醉葉聯系自然人*洪,查明了消防栓水壓不足的原因為杭州冰雪大世界內部低溫導致消防管道內結 凍。5月30日,杭州品越科技有限公司組織會商消防管道維修事宜,決定由*洪負責消防管道維修、杭州冰雪大世界支付維修費用2.2萬元。杭州冰雪大世界安排工程部主管*云鵬配合維修工作。6月1日,*洪安排*珍珍、*小娃、*佳園開始進場維修施工,直至6月9日發生事故,施工期間杭州冰雪大世界正常營業。(靠山屯的話:這位消控室值班的*醉葉還是很認真的,及時發現了問題并向領導進行了匯報,后來卻因火災發生時未能正確操作消控室設備被刑事拘留……)1、杭州互動旅游開發有限公司,為涉事企業股東。該公司成立于2017年 10月31日,營業期限:2017年10月31日至長期,統一社會信用代碼:91330101MA2AXRPTXD,企業類型:有限責任公司(自然人投資或控股的法人獨資),注冊地址: 杭州市莫干山路 1418-7號2幢5012室(上城科技工業基地), 法定代表人:*誼,注冊資本:1000萬人民幣。經營范圍:旅游項目開發,農業休閑觀光(涉及審批的項目除外),園林綠化工程施工,會務會展服務,文化藝術交流活動策劃(除演出及演出中介)等。登記機關:杭州市上城區市場監督管理局。2、浙江冰峰冰雪文化發展有限公司,為涉事企業股東、技術提供方。該公司成立于2020年8月30日,營業期限:2020年8月30日至長期,統一社會信用代碼:91330110MA2J137817,企業類型:有限責任公司,注冊地址:杭州市余杭區閑林街道閑林中路1號-8807室,法定代表人:*雨良,注冊資本:1000萬人民幣。經營范圍:休閑觀光活動;體育競賽組織;體育賽事策劃;咨詢策劃服務;會議及展覽服務等。登記機關:杭州市余杭區市場監督管理局。3、杭州華廷互動文旅產業有限公司,為涉事企業股東。該公司成立于 2020年5月29日,營業期限:2020年5月29日至長期,統一社會信用代碼:91330103MA2HXUAJ7L,企業類型: 有限責任公司(自然人投資或控股的法人獨資),注冊地址: 杭州市下城區環城北路139號1幢1208室,法定代表人:*誼,注冊資本1000萬人民幣。經營范圍:組織文化藝術交流活動;其他文化藝術經紀代理;文化娛樂經紀人服務等。登記機關:杭州市拱墅區市場監督管理局。4、中德房產公司,為涉事建筑的產權單位。該公司成立于2005年1月26日,營業期限:2005年1月26日至2025年1月25日,統一社會信用代碼:91330110770808911C,企業類型:有限責任公司,注冊地址:杭州余杭區臨平街道望梅路588號, 法定代表人:*宗橋,注冊資本:9200萬人民幣。經營范圍:房地產開發經營。物業管理;房屋租賃、房屋中介;市場經營管理;裝飾材料、燈具、家用電器等商品銷售。登記機關:杭州市臨平區市場監督管理局。5、杭州品越科技有限公司,為涉事建筑承包經營管理單位。該公司成立于 2017年8月4日,營業期限:2017年8月4日至長期,統一社會信用代碼:91330110MA28WK8WX3,企業類型:有限責任公司,注冊地址為:杭州市余杭區臨平街道望梅路588號3幢515室,法定代表人:*說梅,注冊資本:20萬人民幣,股東及高管人員情況:*說梅持股 55%,*得士持股 45%。經營范圍:承接室內外裝飾工程、機電工程、樓宇智能化工程、 水暖弱電工程施工;企業形象策劃,房屋租賃等。登記機關: 杭州市臨平區市場監督管理局。6、華陽圖審中心,為涉事企業裝修工程設計圖審單位。該公司成立于2016 年9月21日,營業期限:2020年9月1日至2024 年9月15 日,統一社會信用代碼:52330000MJ8730744U, 社會組織類型:民辦非企業單位,注冊地址:杭州市余杭區南苑街道香雪路19號,法定代表人:*建富,注冊資本:20萬人民幣。經營范圍:房建一類、市政(道橋、給排水)二類建設工程施工圖審查。登記機關:浙江省民政廳。7、上海洪利消防工程有限公司,為涉事企業消防設施施工單位。該公司成立于2008年1月16日,營業期限:2008年1月16日至2038年1月15日, 統一 社會信用代碼 : 913101146711219466,企業類型:有限責任公司,注冊地址:上海市崇明區綠華鎮富華路79號6幢121室(上海綠華經濟開發區),法定代表人:*楊劍,注冊資本:1000萬人民幣。經營范圍:消防設施工程施工;施工專業作業;建設工程質量檢測;檢驗檢測服務等。登記機關:上海市崇明區市場監督管理局。8、哲華設計有限公司,為涉事企業裝修工程的設計單位。該公司成立于 2018年12月21日,營業期限:2018年12月21日至長期,統一社會信用代碼:91510104MA68EEK90U,企業類型:其他有限責任公司,注冊地址:四川省成都市錦江區大 涼山路77號2棟1單元30層3010號,法定代表人:*炳林, 注冊資本:9999萬人民幣。經營范圍:工程勘察設計;房屋建筑工程;市政公用工程;水利水電工程;公路工程;建筑裝修裝飾工程;土石方工程;城市及道路照明工程;鋼結構工程; 機電工程;通訊工程;建筑防水工程;特種工程施工與設計; 工業與民用建筑設計;城鎮規劃;市政工程及園林綠化工程; 建筑幕墻工程;電子與智能化工程;消防設施工程的設計、施工;工程勘察活動;工程設計活動;工程管理服務;建筑工程咨詢;建筑工程總承包;銷售:建筑材料。(依法須經批準的項目,經相關部門批準后方可開展經營活動)。登記機關:錦江市場監督管理局。9、浙江新時代消防技術有限責任公司,為涉事企業消防設施檢測單位。該公司成立于1994年11月5日,營業期限:1994年11月5日至2024年1月5日, 統一社會信用代碼: 9133000014292812X6,企業類型:有限責任公司(自然人投資或控股),注冊地址:杭州市拱墅區湖墅路青莎閣 1 幢 1 單元302 室,法定代表人:*旭京,注冊資本:1068 萬人民幣。經營范圍:消防工程設計、施工,消防器材的維修、安裝及技術咨詢服務,消防器材、防盜器材、建筑裝飾材料、五金工具的銷售,建筑消防設施檢測、維修、保養。登記機關:杭州市拱墅區市場監督管理局。2022年6月9日9時56分,*珍珍在杭州冰雪大世界進行消防管道維修時,違章電焊切割作業,熔渣引燃了位于杭州冰雪大世界二層冰雕區 7-F 立柱北側與冰墻之間縫隙下部的掉落的管道保溫材料殘片和裝飾裝修材料。事故調查排除遺留火種、電氣故障、物品自燃、人為放火等引發火災的可能。

一是杭州冰雪大世界內大量使用的聚氨酯保溫材料和仿真綠植達不到不燃、難燃要求,起火后煙氣蔓延速度快。二是杭州冰雪大世界及與建筑內其他區域之間防火分隔措施和防煙措施設置不到位,內墻墻體采用聚氨酯夾芯彩鋼板,場所內出口門采用保溫門代替防火門,導致火災發生后迅速蔓延至整個二層。三是杭州冰雪大世界擅自關閉消防設施,吸氣式感煙報警系統處于關閉狀態,預作用式自動噴水滅火系統未處于正常狀態;室內感煙報警探測器報警后,值班人員不會處置,導致火災未能在初期被有效撲滅。一是火災發生后,聚氨酯、仿真綠植等材料大面積燃燒, 產生了大量高溫有毒煙氣,釋放出的可燃煙氣不斷聚集,發生爆燃,導致人員傷亡。二是因保溫需要,建筑外墻原窗口被保溫墻封閉,出入口增設保溫門,呈相對密閉空間,煙氣無法排出、室內能見度低,增加了人員逃生難度和消防施救難度。三是因設置多種功能游玩區并用冰墻分隔,導致室內通道迂回曲折增加了疏散距離。四是現場人員缺乏逃生自救知識和技能。1、建設審批方面。未按規定辦理建筑施工許可證,以虛假裝修合同逃避建設施工審批許可和政府門監管;特殊建設工程未經消防設計審查,擅自開工建設。2、建設施工方面。保溫材料未按規定使用A級不燃材料; 火災自動報警系統、機械排煙系統、自動噴水滅火系統等消防設施未按設計要求設置;安全疏散設置不符合規定要求;預作用自動噴水滅火系統不具備正常使用條件;違規在原建筑內天井位置搭建吊頂,形成封閉空間,影響內部排煙。3、安全管理方面。企業日常安全管理缺失,未建立消防安全責任制,消防安全管理制度和操作規程不完善;對維修人員進入杭州冰雪大世界場地實施消防管道維修、動火作業不聞不問,未查驗資質,未安排專人進行現場監管;擅自關閉火災自動報警系統;消防安全巡查、檢查不到位,營業期間違規動火作業。未明確各崗位人員的消防安全責任;未建立事故隱患排查 治理制度;未按規定與杭州冰雪大世界簽訂專門的安全生產管理協議,也未在《房屋租賃合同》中約定各自的安全生產管理職責,未對杭州冰雪大世界的安全生產工作實施統一協調、管理;違反規定組織無消防設施維修職業資格和電焊操作資格人員進行消防管道維修;未落實動火審批手續,未指派人員進行現場看護,未采取任何防范措施,任由施工人員私自操作。違規在原建筑內天井位置搭建頂棚;將杭州灣建材裝飾城 經營管理發包后,對杭州品越科技有限公司經營管理活動中的安全生產、消防安全監督、檢查不到位;對杭州冰雪大世界違規在原建筑內天井位置搭建封閉吊頂的行為未督促整改。
未按照住建部門消防設計審查合格的設計圖紙進行施工, 擅自改變消防設計,降低施工質量;預作用自動噴水滅火系統未施工完成就交付投入使用。
(五)哲華設計有限公司
安全疏散、防排煙等消防設計違反《建筑設計防火規范》GB 50016-2014(2018 年修訂版)等有關強制性條文要求;違法出借設計資質,允許他人隨意使用相關資質出具設計圖紙,且未履行設計質量管理責任;盜用他人的電子簽名在其公司出具的設計圖紙上使用。
在施工圖審查過程中把關不嚴格,第一次圖審時未按規定將杭州冰雪大世界裝修工程界定為特殊建設工程;在重大變更圖審中審查不力,未發現設計圖紙中違反國家工程建筑消防技術標準強制性條文的內容,未要求對重大變更重新進行設計復核。未按規定安排人員實地開展消防設施檢測,出具虛假《建筑消防設施檢測報告》。對杭州冰雪大世界違反規定未經消防設計審查擅自施工失管。未按規定開展消防驗收,對杭州冰雪大世界現場消防設施與消防設計不一致、現場保溫材料與檢測報告不一致、安全疏散設置不符合規定、預作用自動噴水滅火系統不具備正常使用條件等問題失察。對圖審單位未按規定開展建設工程施工圖審查的問題監督指導不力。未按規定督促杭州冰雪大世界辦理建設施工許可證。
對杭州冰雪大世界開展公眾聚集場所投入使用、營業前消防安全核查不細致不全面,對現場保溫材料與檢測報告不一致、安全疏散設置不符合規定、預作用自動噴水滅火系統不具備正常使用條件等問題失察。未按規定將杭州冰雪大世界列入消防安全重點單位。在核查群眾舉報時,對杭州冰雪大世界采用不符合相應燃燒性能等級保溫材料的情形失察。未積極、主動履行行業安全監管職責,指導、督促杭州冰雪大世界落實消防安全管理責任不到位。未深入貫徹落實安全生產、消防安全等法律法規,未認真履行屬地消防安全責任和消防工作職責,組織開展消防安全隱患排查治理不深入,現場檢查走過場,未發現杭州冰雪大世界存在的問題隱患。對消防工作重視程度不夠,指導督促轄區單位落實消防安全隱患排查工作存在死角和盲區。對杭州冰雪大世界樓上居民大量的投訴舉報事件重視不夠,對杭州灣建材裝飾城內天井違規搭建頂棚、違規封閉吊頂、違規占用消防通道等違章建筑查處不力。貫徹落實地方黨政領導干部安全生產責任制規定不扎實。未認真吸取國內重大火災事故教訓,對所屬住建部門未認真履行消防設計審查、驗收管理職責,消防救援機構未認真開展開業前消防檢查、未將杭州冰雪大世界納入消防安全重點單位管理,所屬文廣旅體部門未認真履行行業安全監管職責,東湖街道辦事處未認真履行屬地消防安全管理、違章拆除職責等問題失管失察。*珍珍,男,1998 年出生,系事發時違規電焊切割操作人員,對事故發生負有直接責任。1、*小娃,男,1979 年出生,系事發時違規電焊切割操作人員。2022年6月11日因涉嫌重大責任事故罪被公安機關依法刑事拘留。2、*洪,男,1979年出生,系杭州冰雪大世界事發時無證電焊作業包工頭。2022年6月11日因涉嫌重大責任事故罪被公安機關依法刑事拘留。3、*文充,男,1982年出生,系杭州品越科技有限公司物業經理。2022年 6月11日因涉嫌重大責任事故罪被公安機關依法刑事拘留。4、*醉葉,男,1962年出生,系杭州灣建材裝飾城消控室負責人。2022年 6月11日因涉嫌重大責任事故罪被公安機關依法刑事拘留。5、*國森,男,1964年出生,系杭州冰雪大世界股東、負責人。2022年 6月11日因涉嫌重大責任事故罪被公安機關依法刑事拘留。6、*云鵬,男,1997年出生,系杭州冰雪大世界現場安全主管。2022年 6月11日因涉嫌重大責任事故罪被公安機關依法刑事拘留。7、*慧超,男,1997 年出生,系杭州冰雪大世界電工。2022年6月18日因涉嫌重大責任事故罪被公安機關依法刑事拘留。 8.*誼,男,1982年出生,系杭州冰雪大世界股東、實際控制人。2022年6月18日因涉嫌重大責任事故罪被公安機關依法刑事拘留。對于在事故調查過程中發現的地方黨委政府及有關部門等公職人員在履職方面存在的問題,移交浙江省紀委省監委依規依紀依法組織開展審查調查,對有關人員的黨政紀處分,由省紀委省監委依規依紀依法作出處理。1、建議責成臨平區向杭州市委、市政府作出深刻檢查,并抄報省應急管理廳。2、依據《中華人民共和國安全生產法》《生產安全事故報告和調查處理條例》等相關法律法規規定,建議杭州市應急管理部門對杭州互動冰雪文化旅游發展有限公司、杭州品越科技有限公司及其主要負責人依法予以處理。3、建議杭州市住建部門依法對上海洪利消防工程有限公司、哲華設計有限公司、華陽圖審中心,杭州市消防救援機構依法對浙江新時代消防技術有限責任公司,杭州市應急管理部門依法對中德房產公司予以處理。(一)深入學習貫徹習近平總書記重要指示批示精神,進一步健全消防安全監管責任體系各級黨委政府特別是杭州市要迅速組織黨政領導干部、部門監管人員及企業負責人,深入學習貫徹習近平總書記關于安全生產、消防安全有關重要論述 和重要指示批示精神,進一步樹牢“人民至上、生命至上”的安全發展理念,強化“發展決不能以犧牲安全為代價”的紅線意識, 以“抓鐵有痕、踏石留印”的作風,切實擔負起“促一方發展、保一方平安”的政治責任。各級各部門要深入貫徹落實國務院 15條、我省25條安全生產重要舉措要求,進一步健全“黨政同責、一崗雙責、齊抓共管、失職追責”的安全生產責任體系,按照“管行業必須管安全、管業務必須管安全、管生產經營必須管安全”“業務相近”原則,建立健全安全生產分級分類監管機制,全面厘清各行業領域安全監管責任和邊界,層層壓緊壓實黨政領導責任、部門監管責任,不斷強化消防安全監管責任落實。(二)深刻吸取杭州冰雪大世界“6·9”火災事故教訓,嚴格落實生產經營單位消防安全主體責任
各級各部門要緊緊抓住 企業法定代表人、董事長、總經理、實際控制人這個關鍵,嚴格督促企業主要負責人依法落實“第一主體責任”,切實執行《中華人民共和國安全生產法》《中華人民共和國消防法》賦予安全生產、消防安全的法定工作職責;要改進消防安全監管方式, 全面落實以“雙隨機、一公開”監管為基本手段、重點監管為補充、信用監管為基礎、互聯網+監管為支撐的監管模式。各類商貿、服務類生產經營單位要以案為鑒,堅持安全自查、隱患自除、責任自負,法定代表人要切實肩負起第一責任人責任,全面推進消防安全主體責任落實,認真履行法定消防安全義務。要對經營場所的安全出口、樓梯、疏散通道等位置配齊應急疏散指示和安全警示標志,嚴格落實隱患排查治理制度,定期做好各類安全設備設施、消防器材、電氣系統的隱患排查和維護保養,及時消除事故隱患。(三)健全完善建設工程消防設計審查驗收管理制度,強化建設工程消防安全源頭管控
建設工程消防審查驗收,是加強建設工程消防安全源頭管控、保證建筑安全的重要環節。加強建設、設計、施工、監理單位監督管理,項目負責人在工程設計使用年限內,承擔相應的質量終身責任。認真落實政府購買施工圖審查服務制度,加強審查機構監督管理,規范審查行為,提高審查質量。要完善建設工程消防設計審查驗收管理制度,提高審查、驗收人員業務能力。要完善建設工程施工許可管理辦法,防止惡意規避施工許可辦理。住建部門、消防部門要健全部門信息共享和協同配合工作機制,狠抓建設工程消防設計審查驗收和公眾聚集場所投入使用、營業前消防安全核查工作,不斷提升消防監管合力,切實把好建設工程消防安全源頭管控關。(四)緊盯重點行業領域和重點場所,開展全省消防安全大排查大整治行動
一是立即開展室內冰雪活動場所消防安全大排查大整治行動,摸清底數,掌握產業安全風險,建檔立案開展專項整治。二是深入開展消防安全“遏較大”整治行動,針 對高層建筑、地下空間、大型商業綜合體、危化企業,落實“一地一案”“一企一策”,確保發生風險和事故時,能夠科學施救。進一步規范民宿、農家樂日常消防安全管理。三是深入開展自建房消防安全整治行動,重點排查整治用于生產經營租住的村居民自建房,排查整治為勞動密集型企業、物流公司、配送平臺配套的員工集體宿舍以及客運樞紐等重點單位。四是立即開展控亡人消防安全整治行動,重點整治用火不慎、違規用電、違章操作等違法違規行為。全面開展小型變壓器、配電柜等室外輸電配電設備隱患的排查,加強電器產品及其線路使用管理檢查,推進電氣線路改造提升。嚴厲打擊無消防設施維修職業資格人員進行消防管道維修和違規動火作業行為。五是扎實開展工礦領域消防安全整治行動,對重點工業園區、重點行業、重點工業企業、廠房倉庫進行集中整治,指導園區和企業加大消防安全設施的投入,重點打擊企業違章搭建,違法改變廠房使用性質等行為,筑牢高質量發展經營本質安全屏障。(五)廣泛開展消防安全宣傳教育,不斷增強全民防范意識和自救互救能力
要突出抓好消防安全、安全生產宣傳教育工作,并將其納入各級各部門安全生產和消防工作目標責任考核體系,扎實開展消防安全、安全生產“進企業、進農村、進社 區、進學校、進家庭”活動,全面提升社會參與能力、全民安全 素質和社會整體安全水平。要組織開展事故現場警示教育,以案說法、現身說法,用身邊事教育身邊人,進一步強化屬地黨委政府及部門和有關企業法律意識、責任意識和安全意識。要發動群眾參與基層消防的巡防、打更、宣傳等活動,引導群眾使用浙里辦“隱患隨手拍”應用,推動全社會參與清剿火患的行 動。要督促各人員密集場所切實加強安全生產教育培訓,以消防控制室操作人員、電焊電氣作業人員以及企事業單位一線員工為重點,經常性開展應急救援演練,強化從業人員安全意識、 崗位技能和自救互救能力。要充分利用各類媒體,大力宣傳普及消防安全知識和自救逃生常識,全面提高社會公眾安全素質。